Deskripsi Produk
Kantong Udara Karet Tugas Berat Ukuran Disesuaikan Airbag Laut Untuk Peluncuran Kapal
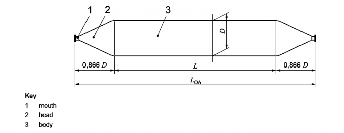
Pengenalan perahu pengangkat kapal ballon landing rubber airbag
Airbag karet pendaratan kapal, juga dikenal sebagai airbag laut, airbag docking, balon pendaratan kapal, dan airbag Mary, kini telah menjadi cara yang nyaman untuk peluncuran kapal di beberapa galangan kapal, terutama di tempat yang tidak ada slipway.Saat ini, banyak digunakan dalam peluncuran kapal, penanganan benda berat, dan penyelamatan air.




Rincian Produk

Beberapa ukuran normal Airbag Karet Laut kami, ukuran khusus juga tersedia
|
Diameter (m)
|
Panjang Efektif (m)
|
Lapisan
|
Tekanan (MPa)
|
|
1.0
|
10
|
5~6
|
0,07~0,10
|
|
1.0
|
12
|
5~6
|
0,07~0,10
|
|
1.0
|
15
|
5~6
|
0,07~0,10
|
|
1.2
|
10
|
5~6
|
0,08~0,12
|
|
1.2
|
12
|
5~6
|
0,08~0,12
|
|
1.2
|
15
|
5~6
|
0,08~0,12
|
|
1.5
|
12
|
5~8
|
0,08~0,16
|
|
1.5
|
15
|
5~8
|
0,08~0,16
|
|
1.5
|
18
|
5~8
|
0,08~0,16
|
|
1.5
|
20
|
4~8
|
0,08~0,16
|
|
1.5
|
24
|
5~8
|
0,08~0,16
|
|
1.8
|
12
|
5~8
|
0,08~0,15
|
|
1.8
|
15
|
5~8
|
0,08~0,15
|
|
1.8
|
18
|
5~8
|
0,08~0,15
|
|
1.8
|
20
|
5~8
|
0,08~0,15
|
|
1.8
|
24
|
5~8
|
0,08~0,15
|
|
2.0
|
18
|
6~10
|
0,08~0,18
|
|
2.0
|
20
|
6~10
|
0,08~0,18
|
|
2.0
|
24
|
6~10
|
0,08~0,18
|
|
2.5
|
18
|
7~10
|
0,07~0,13
|
|
2.5
|
20
|
7~10
|
0,07~0,13
|
|
2.5
|
24
|
7~10
|
0,07~0,13
|
Struktur airbag karet pendaratan kapal
1) Lapisan Karet Luar
Lapisan karet luar yang menutupi bagian luar airbag laut untuk melindungi lapisan bawah dari abrasi dan kekuatan eksternal lainnya.Senyawa ini memiliki kekuatan tarik dan sobek yang cukup untuk menahan segala kondisi dan penggunaan yang keras.
2) Lapisan Karet Dalam
Lapisan karet bagian dalam menyegel udara bertekanan di dalam airbag laut.
3) Lapisan Tali Ban Sintetis sebagai Penguat
Lapisan kabel penguat, yang terbuat dari kabel ban sintetis yang biasa digunakan pada ban, disusun pada sudut yang ideal untuk menahan tekanan internal dan mendistribusikan tegangan secara merata.Sehingga mereka dapat memberikan penguatan efisien yang kuat.
Airbag Henger diproduksi denganteknik melilit integral yang unik.Ketebalan dinding airbag seragam dengan jahitan sekunder pada sambungan tumpang tindih.Saat berguling di lereng dan jalur kapal yang tidak rata, airbag fleksibel sangat membantu untuk mengurangi tekanan struktur dan risiko peluncuran kapal.
Fenomena distorsi berat akan menyebabkan delaminasi di antara lapisan airbag, kemudian menyebabkan kecelakaan yang lebih serius.
Fenomena distorsi berbahaya seperti itu dalam proses peluncuran kapal tidak pernah terjadi pada Henger Marine Airbags


Fitur Airbag Karet Untuk Docking Kapal Kering
1. Daya dukung besar
2. Kapasitas tinggi terhadap kompresi dan puntiran
3. Desain baru konstruksi anti-meledak di akhir
4. Tata letak struktural yang dioptimalkan
5. Ketahanan penuaan yang tahan lama dan karakteristik anti-aus
6. Fleksibilitas dan kapasitas redaman yang lebih tinggi.